| Type |
Geometric displacement
(cm3) |
Max. speed
(1/min) |
Max. torque
(Nm) |
Max. output
(KW) |
Max. oil flow
(l/min) |
Max. pressure drop |
Cylindrical shaft (mm) |
Weight
(kg) |
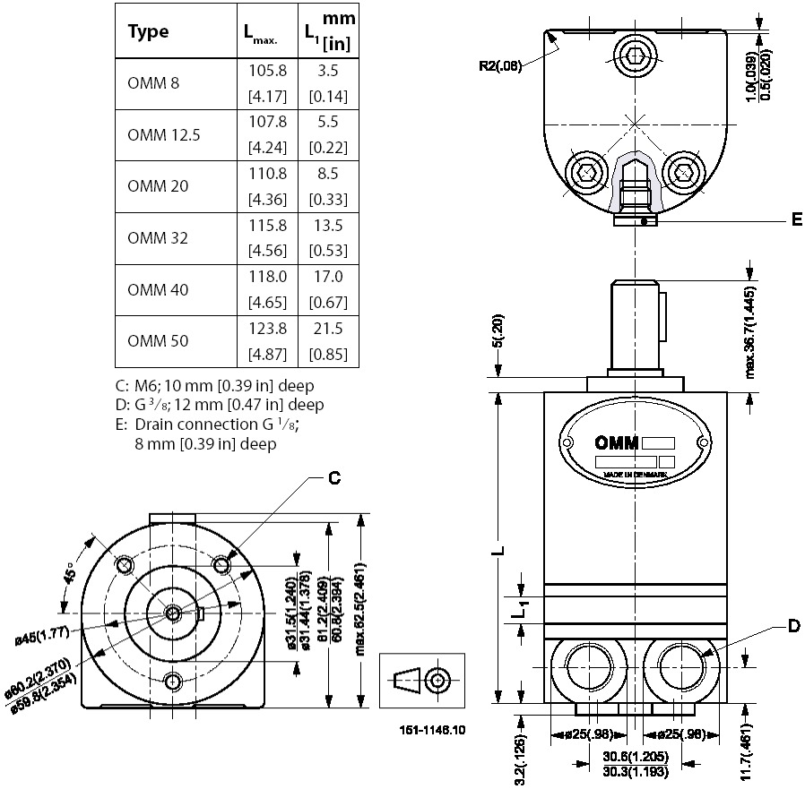
| Nominal working parameters |
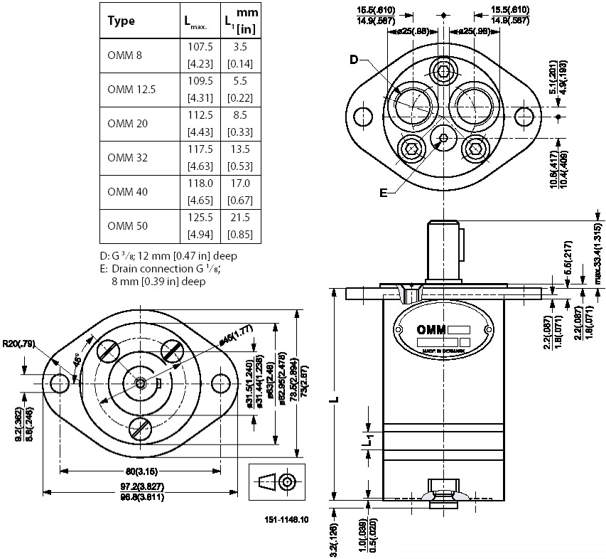
| OMM 8 151G0041 |
8.2 |
1950 |
11 |
1.8 |
16 |
100 |
16 |
1.9 |
| OMM 12.5 151G0004 |
12.9 |
1550 |
16 |
2.4 |
20 |
100 |
16 |
2 |
| OMM 20 151G0005 |
19.9 |
1000 |
25 |
2.4 |
20 |
100 |
16 |
2.1 |
| OMM 32 151G0006 |
31.6 |
630 |
40 |
2.4 |
20 |
100 |
16 |
2.2 |
| OMM 50 151G0013 |
50.3 |
400 |
46 |
1.8 |
20 |
70 |
16 |
2.4 |
Sizes of installation
by clicking on the pictures.
|
| Type |
Geometric displacement
(cm3) |
Max. speed
(1/min) |
Max. torque
(Nm) |
Max. output
(KW) |
Max. oil flow
(l/min) |
Max. pressure drop |
Cylindrical shaft (mm) |
Weight
(kg) |
| Nominal working parameters |
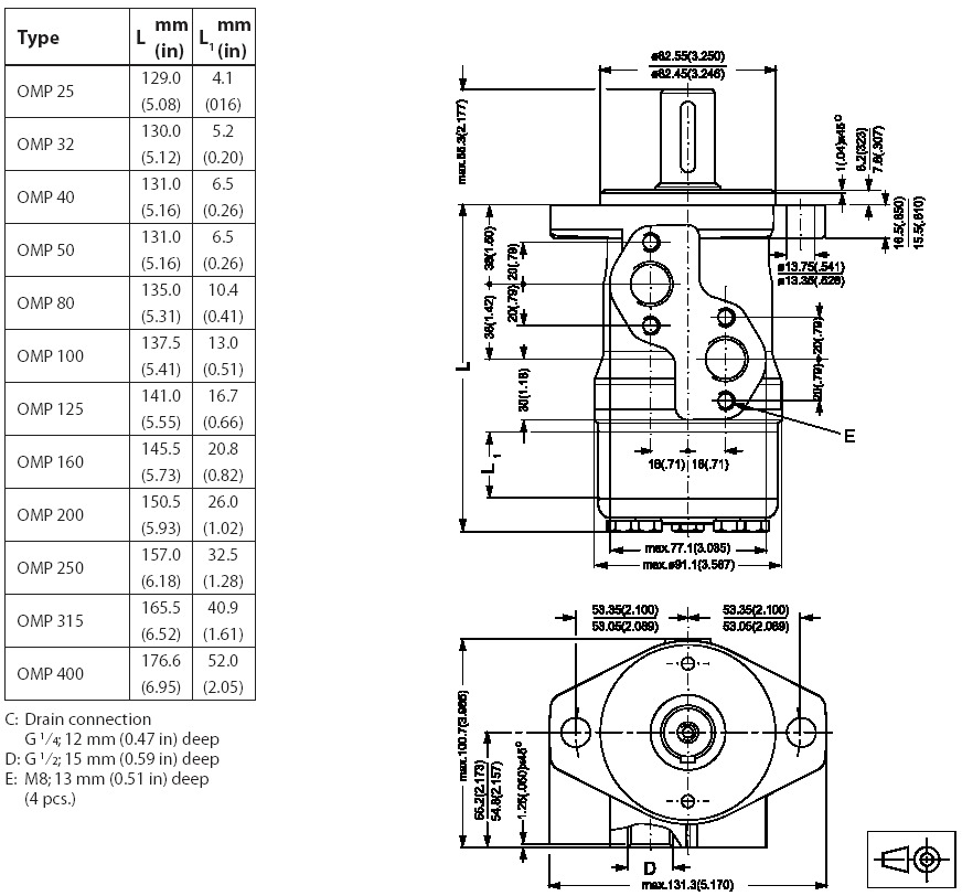
| OMP 25 |
25 |
1600 |
33 |
4.5 |
40 |
100 |
25 |
5.4 |
| OMP 32 |
32 |
1560 |
43 |
5.8 |
50 |
100 |
25 |
5.5 |
| OMP 50 |
48.6 |
1230 |
93 |
10 |
60 |
140 |
25 |
5.6 |
| OMP80 |
77.8 |
770 |
150 |
10 |
60 |
140 |
25 |
5.6 |
| OMP 100 |
97.3 |
615 |
190 |
11 |
60 |
140 |
25 |
5.9 |
| OMP 125 |
125 |
480 |
240 |
10 |
60 |
140 |
25 |
5.9 |
| OMP 160 |
155.7 |
385 |
300 |
10 |
60 |
140 |
25 |
6.2 |
| OMP 200 |
194.6 |
310 |
300 |
8 |
60 |
115 |
25 |
6.4 |
| OMP 250 |
242.3 |
250 |
300 |
6 |
60 |
90 |
25 |
6.6 |
| OMP 315 |
306.1 |
195 |
300 |
5 |
60 |
75 |
25 |
6.9 |
| OMP 400 |
389.2 |
155 |
300 |
4 |
60 |
60 |
25 |
7.4 |
Sizes of installation
by clicking on the pictures.
|
| Type |
Geometric displacement
(cm3) |
Max. speed
(1/min) |
Max. torque
(Nm) |
Max. output
(KW) |
Max. oil flow
(l/min) |
Max. pressure drop |
Cylindrical shaft (mm) |
Weight
(kg) |
| Nominal working parameters |
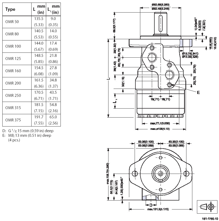
| OMR 50 |
51.6 |
775 |
100 |
7 |
40 |
140 |
25 |
6.7 |
| OMR 80 |
80.3 |
750 |
195 |
12.5 |
60 |
175 |
25 |
6.9 |
| OMR 100 |
99.8 |
600 |
240 |
13 |
60 |
175 |
25 |
7 |
| OMR 125 |
125.7 |
475 |
300 |
12.5 |
60 |
175 |
25 |
5.9 |
| OMR 160 |
159.6 |
375 |
300 |
10 |
60 |
130 |
25 |
7.5 |
| OMR 200 |
199.8 |
300 |
300 |
8 |
60 |
110 |
25 |
8 |
| OMR 250 |
249.3 |
240 |
300 |
6 |
60 |
80 |
25 |
8.5 |
| OMR 315 |
315.7 |
190 |
300 |
5 |
60 |
70 |
25 |
9 |
| OMR 375 |
372.6 |
160 |
300 |
4 |
60 |
55 |
25 |
9 |
Sizes of installation
by clicking on the pictures.
|
| Type |
Geometric displacement
(cm3) |
Max. speed
(1/min) |
Max. torque
(Nm) |
Max. output
(KW) |
Max. oil flow
(l/min) |
Max. pressure drop |
Cylindrical shaft (mm) |
Weight
(kg) |
| Nominal working parameters |
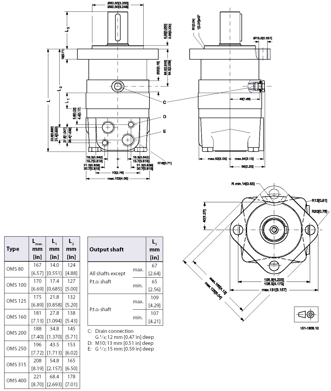
| OMS 80 |
80.5 |
810 |
200 |
16 |
65 |
210 |
32 |
9.8 |
| OMS 100 |
100 |
750 |
250 |
17.5 |
75 |
210 |
32 |
10 |
| OMS 125 |
125.7 |
600 |
320 |
17.5 |
75 |
210 |
32 |
10.3 |
| OMS 160 |
159.7 |
470 |
340 |
15.5 |
75 |
210 |
32 |
10.7 |
| OMS 200 |
200 |
375 |
400 |
14 |
75 |
210 |
32 |
11.1 |
| OMS 250 |
250 |
300 |
450 |
12.5 |
75 |
210 |
32 |
11.6 |
| OMS 315 |
314.9 |
240 |
540 |
11.5 |
75 |
210 |
32 |
12.3 |
| OMS 400 |
393 |
190 |
560 |
10.5 |
75 |
210 |
32 |
13.1 |
Sizes of installation
by clicking on the pictures.
|
| Type |
Geometric displacement
(cm3) |
Max. speed
(1/min) |
Max. torque
(Nm) |
Max. output
(KW) |
Max. oil flow
(l/min) |
Max. pressure drop |
Cylindrical shaft (mm) |
Weight
(kg) |
| Nominal working parameters |
| OMT 160 |
161.1 |
625 |
410 |
24.5 |
100 |
210 |
40 |
20 |
| OMT 200 |
201.4 |
625 |
520 |
30.5 |
125 |
210 |
40 |
20.5 |
| OMT 250 |
251.8 |
500 |
640 |
30.5 |
125 |
210 |
40 |
21 |
| OMT 315 |
326.3 |
380 |
840 |
30.5 |
125 |
210 |
40 |
22 |
| OMT 400 |
410.9 |
305 |
900 |
36.5 |
125 |
210 |
40 |
23 |
| OMT 500 |
523.6 |
240 |
1090 |
24 |
125 |
210 |
40 |
24 |
Sizes of installation
by clicking on the pictures.
|
| Type |
Geometric displacement
(cm3) |
Max. speed
(1/min) |
Max. torque
(Nm) |
Max. output
(KW) |
Max. oil flow
(l/min) |
Max. pressure drop |
Cylindrical shaft (mm) |
Weight
(kg) |
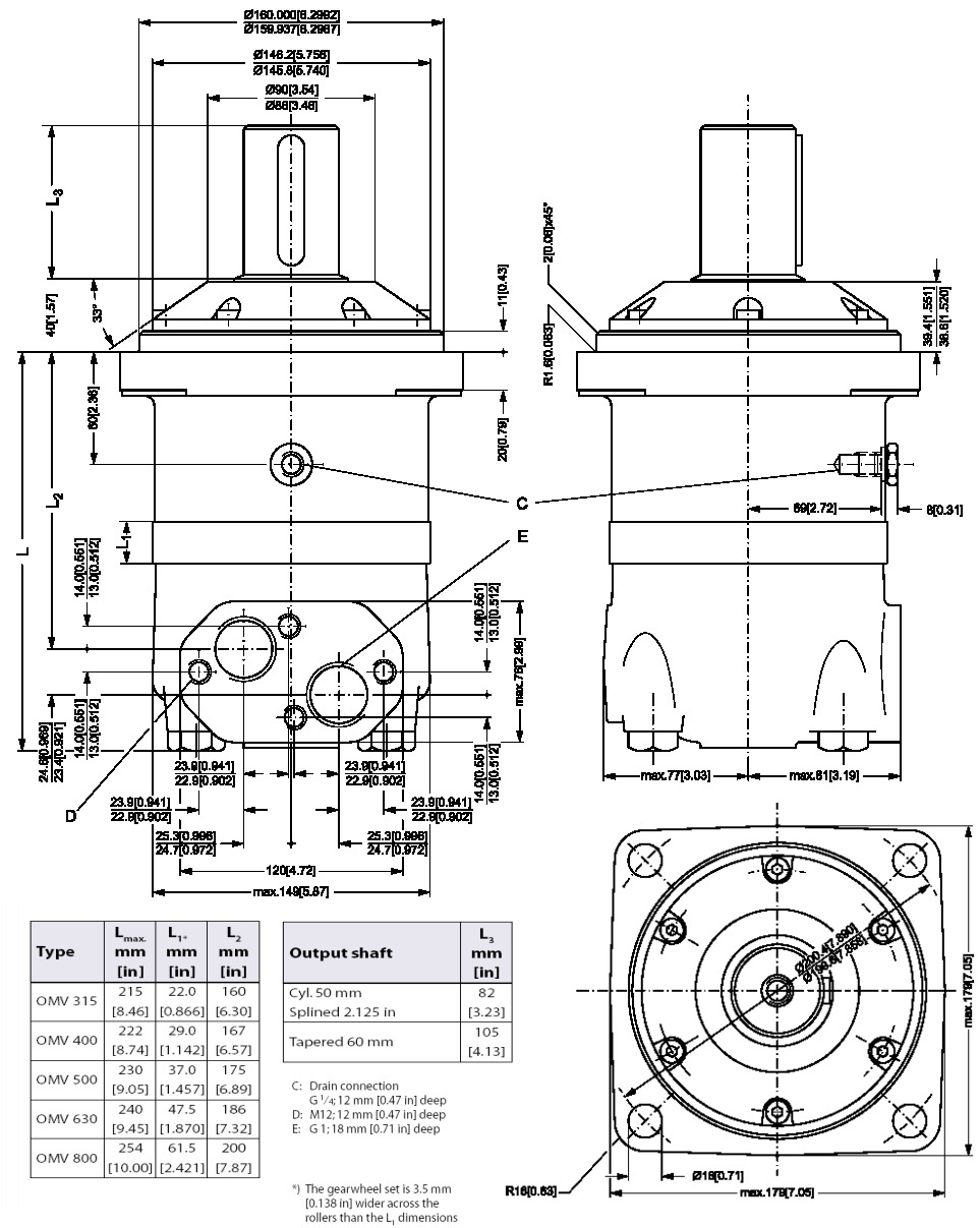
| Nominal working parameters |
| OMV 315 |
314.5 |
510 |
920 |
42.5 |
160 |
200 |
50 |
|
| OMV
400 |
400.9 |
500 |
1180 |
53.5 |
200 |
200 |
50 |
|
| OMV
500 |
499.6 |
400 |
1460 |
53.5 |
200 |
200 |
50 |
|
| OMV
630 |
629.1 |
315 |
1660 |
48.0 |
200 |
180 |
50 |
|
| OMV
800 |
801.8 |
250 |
1880 |
42.5 |
200 |
160 |
50 |
|
Sizes of installation
by clicking on the pictures.
Shanghai Boye Co., Ltd.Head Office: 27B No.62
Qianjun Building
BinYang Road Tel: +86 21 31906808 Fax: +86 21 51861067 Mobil: +86 13917719052 E-mail:Shoffice@boigee.com
|